ヘッドライトいじりますシリーズ
「ヘッドライトをいじります①ヘッドライトの原理」
「ヘッドライトをいじります②測定」←今ここ
「ヘッドライトをいじります③対策(失敗)」
参考「1万5000円で買えるオシロスコープ」
「ヘッドライトをいじります①ヘッドライトの原理」
「ヘッドライトをいじります②測定」←今ここ
「ヘッドライトをいじります③対策(失敗)」
参考「1万5000円で買えるオシロスコープ」
参考
「GPXジェントルマンレーサー200のサービスマニュアル」
今回はオシロスコープを使って、ライトへの入力電圧がどうなっているか実際に調べました!!
前回の記事で「このバイクは発電機から出てる3本の線が、ヘッドライトに直接つながっているんだ!!」と書きましたが、調べてみたら思いっきり間違えていました(笑)
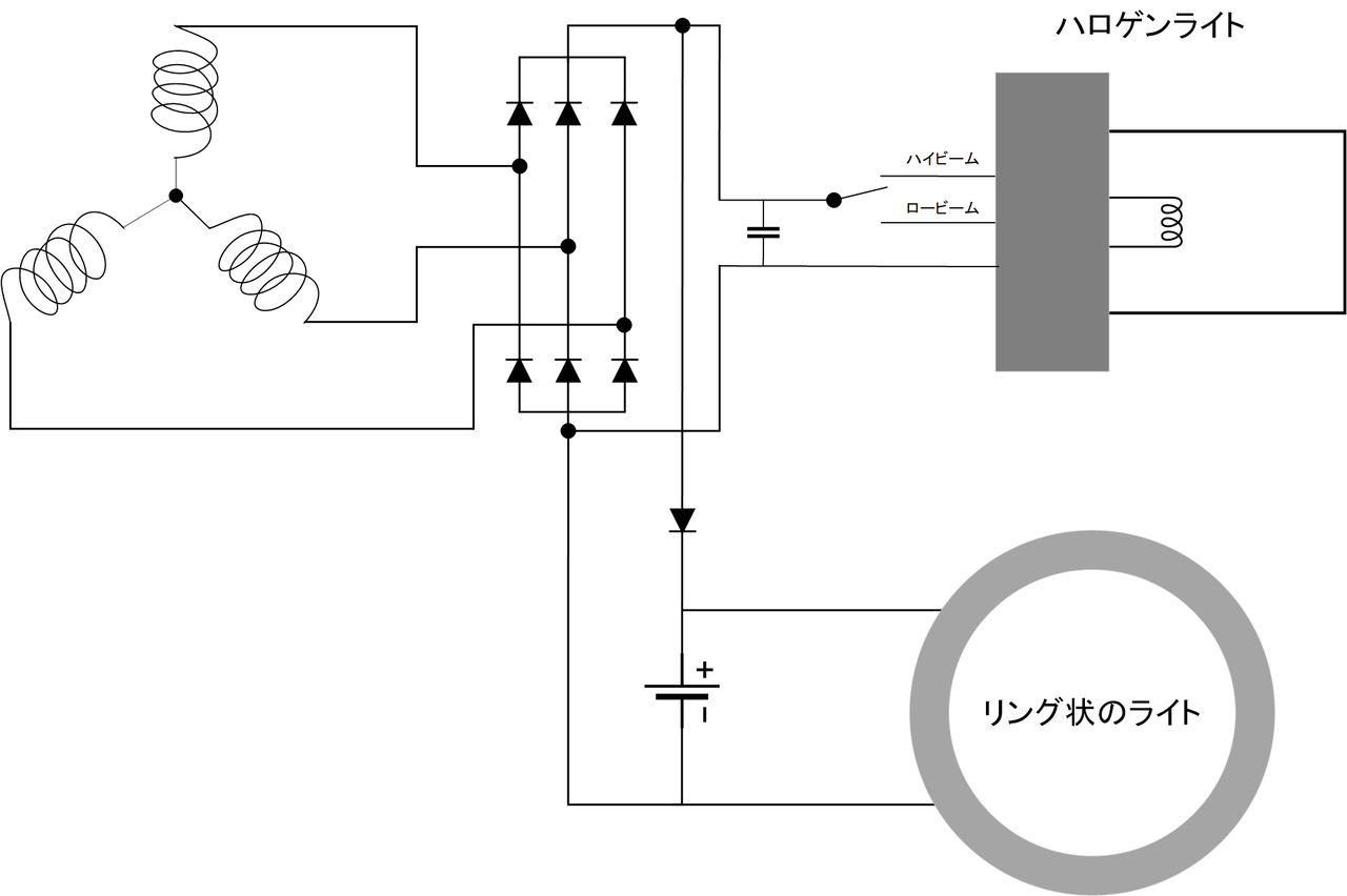
ヘッドライトへの配線
確認するために、ヘッドライトをカウルから外したんですよ。そしたらこれ図1 ヘッドライトへの配線
分かりますか?ライトに線が4本繋がっていました(笑)これは前回した配線の予想は完璧に間違っていることがわかりますね。という事でこの4本の線はどういった役割を果たしているのか、調べました!!まずはヘッドライトを観察。
図2 ヘッドライト
図2よりわかるような配線がヘッドライトにされていました。どうやらこのバイクのヘッドライトはハロゲンライトと一体化してあるタイプのようです。これ以上ばらすことが出来ず、ライトへは線が半田付けされていました。まずはテスターを使って直流か、交流か、どう弄った時に電圧が印加されるか調べてみました。結論から言いますと白線:ロービーム
青線:ハイビーム
茶色線:LEDのリング状ライト
緑線:GND
全て直流電圧
に繋がっていました!!確かによくよく考えたら、ハイビーム、ロービーム、リング状ライトで3本埋まってしまうので、線が4本あるのは納得ですね(笑)
それでは本題になります。オシロスコープを使ってそれぞれの電圧を測定しました!!
目次へ
測定
今回の測定方法緑線のGNDと、それぞれの線に直接接続して電圧信号を測定しました。回路に抵抗は入れていないです。発電電圧が大体14 Vくらいだったので、オシロスコープの内部抵抗でバカみたいな電流は流れないと予想したため直つなぎです!!正直、煙出ないか怖かったです(笑)
結果
・GND-茶色線(リング状ライトの電源線)
図4にGND-茶色線(リング状ライトの電源線)の電圧を示します。

図4 GND-茶色線(リング状ライトの電源線)の電圧
同図よりわかるように、直流電圧がずっと印加されていました。こいつはキーをONにしたらずっとついているライトになります。こいつは全く脈動していなかったので、バッテリーから直接入電されていると考えられます。エンジンを始動させても脈動は観測されませんでした。
若干、波形がぶらついているように見えるのは、オシロスコープの量子化誤差の影響なんで、こいつはめちゃめちゃ直流になっていると考えられます。量子化誤差っていうのは、まずオシロスコープの縦軸は8 bitなんで…と色々話せるのですが、この内容だけで、記事が書けてしまうほどボリューミーなのでここでは秘密です(笑)
・GND-白線orGND-青線(ロービーム、ハイビームの電源線)
ここではロービームもハイビームの波形の形が同じだったので、一つにまとめます。たぶんスイッチで回路を切り替えてるだけなんで、同じ波形なんだと思います。図6にGND-白線orGND-青線(ロービーム、ハイビームの電源線)の電圧を0-16 Vのレンジで見た時を示します。図7にGND-白線orGND-青線(ロービーム、ハイビームの電源線)の電圧をリップル電圧のみで見た時を示します。

図7 GND-白線orGND-青線(ロービーム、ハイビームの電源線)のリップル電圧
同図よりわかるようにハロゲンライトへの電圧は発電された電圧が整流されて入電されていているのがわかります。また、エンジンの回転数に追従して周波数が変化しているのも分かります。
これは中々面白い結果ですね!!発電された電圧が整流されて、ハロゲンライトに入電されています!!アイドリング時(約1750 rpm)の電圧ではリップル電圧が0.5Vくらいあります。リップル電圧ってのは電圧の下限と上限の差です。まあ、0.5 Vふらついていたら、ライトもちらついてしまうのでしょうか…電圧を平滑化しているけど、容量が小さくてリップル電圧が発生していると考えられます。まあ、対処方法は予想の時のやり方で正解ってことですね!!
目次へ
配線図予想
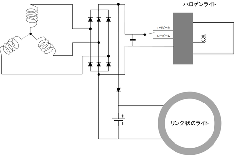
では、配線の確認もしたし、実験もしたので、新たにGPXジェントルマンレーサー200のヘッドライトへの配線を予想します。たぶんこんな感じでしょう!!もうこれは行けそうです!!サービスマニュアルで確認できないのは残念ですが、なかなか正しい回路なのではないでしょうか!!
サービスマニュアルについてはこちら「GPXジェントルマンレーサー200のサービスマニュアル」
今回はここまでです。
次回「ヘッドライトをいじります③対策(失敗) GPXジェントルマンレーサー200」
目次へ
ヘッドライトいじりますシリーズ
「ヘッドライトをいじります①ヘッドライトの原理」
「ヘッドライトをいじります②測定」←今ここ
「ヘッドライトをいじります③対策(失敗)」
参考「1万5000円で買えるオシロスコープ」
「ヘッドライトをいじります①ヘッドライトの原理」
「ヘッドライトをいじります②測定」←今ここ
「ヘッドライトをいじります③対策(失敗)」
参考「1万5000円で買えるオシロスコープ」
スポンサードリンク






コメント